產品參數:
名稱:300w無刷驅動器
型號:BLD300B
適配無刷電機:300w低壓直流無刷電機
備注:

Brushless Direct Current (BLDC)
直流無刷馬達控制器
單路多種控制模式
霍爾方波控制,編碼器正玄波控制
RS-485或CAN 總線通信設計
APP應用軟件CloudView
符合國家標準要求
直流無刷電機,簡稱BLDC
直流無刷電機,簡稱BLDC,是英文Brushless Direct Current的縮寫。對應此電機的控制系統的作用是通過軟件算法控制馬達精準運行。
B系列為單通道低壓電機控制器。
基于ARM 32位MCU設計。可同時適應基于霍爾傳感器、磁性編碼傳感器及光電編碼傳感器的無刷電機控制。
對于霍爾傳感器電機可以實現方波或正玄波算法控制。
對于磁編傳感器或光編傳感器電機,可以采用FOC正玄算法,實現低轉速、高扭矩及精確定位控制。均可以實現不同模式控制:PWM開環,速度閉環,位置環,力矩模式。
可以配以算法實現定制模式控制。
控制器配備多種通訊接口,上位機可以通過通訊協議指令實現系統各種工作目的。
控制器配備基本的控制接口,上位機可以實現整個系統主要功能。
控制器有相關的故障燈指示,以及特殊控制口輸出。
控制器配有人機界面,用戶可以通過此對控制器進行參數設置。
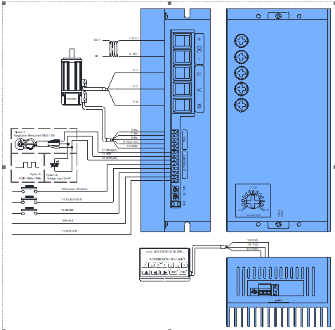
1. 系統圖

控制器:接收上位機指令、控制信號,控制馬達運行,輸出相應的反饋。
通訊總線、控制線:用于控制器與上位機通訊對話。
電機:直流無刷電機,動力輸出。
2. 電器圖


SN | 名稱 | 功能 | 顏色 | 備注 |
1 | DC+ | 電源正極 | 紅 | |
2 | DC- | 電源負極 | 黑 | |
3 | U | 電機相線U | 紅 | |
4 | V | 電機相線V | 黃 | |
5 | W | 電機相線W | 黑 | |
6 | Ha | 電機霍爾A相 | 藍 | |
7 | Hb | 電機霍爾B相 | 綠 | |
8 | Hc | 電機霍爾C相 | 白 | |
9 | VCC+5V | 霍爾傳感器電源正極 | 紅 | |
10 | GND | 霍爾傳感器電源地 | 黑 | |
11 | VRM | 控制器電機控制 可調電阻滑動端 | ||
12 | COM(0V) | 控制器電機控制 可調電阻固定端電源地 | ||
13 | Forward /Reverse | 控制器電機轉向 | ||
14 | RUN/STOP | 控制器啟停 | ||
15 | BRK | 控制器電機剎車 | ||
16 | F-OUT | 控制器輸出頻率(極對數*3個/圈,50%占空比) | ||
17 | ALM OUT | 控制器報警輸出 | ||
18 | A | RS-485 A輸入 | ||
19 | B | RS-485 B輸入 | ||
20 | GND | RS-485 地線 | ||
21 | VRH(5V) | 控制器電機控制 可調電阻固定端電源 |
3. 無刷電機驅動器特性
l 智能多環PID控制,可通過ACC/DEC電位器調節PID反應速度
l 工作方式:開環,速度閉環。SW1 ON狀態為閉環模式,SW1 OFF狀態為開環模式
l 極對數選擇:SW2 ON狀態為4對極,SW2 OFF狀態為2對極
l 調速方式:內部RV電位器或外部0~5V模擬量,PWM占空比控制模式
l 安全操作:前向、反向
l 使能信號控制:啟停馬達
l 數字量輸出:可作為報警輸出、外部繼電器動作輸出
l 電流控制:限流、過流保護??赏ㄟ^P-SV調節工作電流大小
l 保護:過壓、欠壓、傳感器故障、短路等異常
l LED狀態指示
l RS-485通訊:可定制協議
l CAN總線通訊:可定制協議(可選)
4. 性能指標
l 供電電壓:DC 12~80 V(具體參考每個型號的絲印指示)
l 工作電流:不同型號
l 最低轉速:50 RPM(霍爾傳感器電機),1 RPM(編碼傳感器電機)
l 5 V DC電源:20 mA輸出
l SP輸入:0~5 V DC
l PWM輸入:4Hz~10KHz
l 工作溫度:-20~+70℃,過溫保護80℃
l 工作濕度:相對濕度≤80 RH
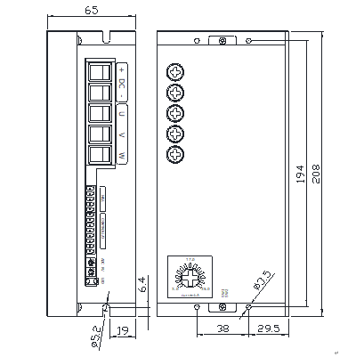
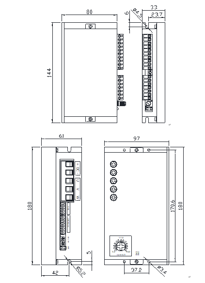
l 外形尺寸: 見安裝圖
l 重量:BD30L7S1MB—320g,BD50L7S1MB—850g,BD100L7S1MB—1050g
5. 安裝圖


注意事項:
多臺控制器同時安裝,請保持控制器>20mm間距。
將控制器遠離粉塵,高濕環境,同時避免意外接觸。保持控制器周圍有足夠大的空間便于通風和調整。
固定控制器時要遠離熱源。保證控制器工作在指定的環境溫度范圍內。
避免安裝在過度振動的設備上。如果需要安裝,請采取很好的防振措施。
6. 電氣連接
① 不要帶電作業連接導線。
② 請選擇與控制器電壓電流相匹配的絕緣導線??刂破鞯碾?/span>源輸入線和馬達連接線的規格選擇請遵循下表:
表格1 線束規格表
序號 | 接口名稱 | 規范及定義 |
1 | 電源輸入 | 50 A,6 mm2截面積,最大線長15 m |
2 | 電機相線 | 50 A,6 mm2截面積,最大線長15 m |
③ 無論在任何情況下,信號線、邏輯控制線都不得與電源進線、輸出線(電機線)捆綁混合在一起布線,這樣產生感應電壓會造成對控制器的干擾、誤動作或直接造成控制器損壞。
④ 控制器內部沒有電源反接保護功能,請必須保證控制器的電源輸入與外部供電電源的正負極相一致,否則會造成控制器損壞。
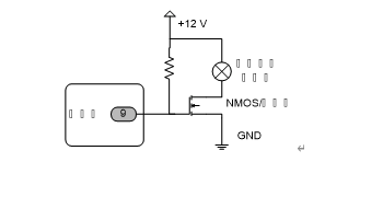
7. 控制連接
控制器輸出口為NPN類型,接線參考如下:

8. 參數
8.1 指示燈
表格2 指示燈定義
指示燈 | 定義 | 說明 |
綠色 | POWER 電源 | 上電后常亮 |
紅色 | 故障燈 | 1次:堵轉 2次:過流 3次:霍爾故障 4次:低壓故障 5次:過壓故障 6次:MOS故障 7次:電流基準故障 8次:過載故障 9次:超速報警 |
8.2 內容列表
控制器PR**參數解釋如下:
表格3 PR**參數設置
序號 | 解釋 | 范圍 | 單位 | 默認 | 備注 |
PR00 | 控制器編號 | 1-255 | / | 1 | 身份 |
PR01 | 極對數,極對數會限制最低轉速 | 1~10 | P | 4 | |
PR02 | 過流報警值 | 1~30 | A | 30 | 根據不同型號定義 |
PR03 | 限流值(暫時作為均值電流) | 1~17 | A | 17 | 根據不同型號定義 |
PR04 | PWM輸出最大值 | 10-99 | % | 99 | 工作輸出在PR10下,持續PR15的時間則產生過載報警 |
PR05 | 控制模式。在1和2模式下,電位器<0.5V或>4.6V則馬達停止 | 0-9 | / | 2 | 模式0:485指令速度閉環 模式1:內部模擬調速閉環控制 模式2:內部模擬調速開環控制 模式3:485指令固定PWM開環模式 模式4,模式5 暫無 模式6:外部模式調速開環模式 模式7:外部模擬調速閉環模式 模式8:外部PWM信號調速開環模式 模式9:外部PWM信號調速閉環模式 |
PR06 | 內部速度設置(閉環) | 100-8000 | rpm | 3000 | 控制模式為0 |
PR07 | 開環控制PWM百分比(固定值) | 100~990 | 0.10% | 500 | 固定一個PWM輸出 |
PR08 | 電機速度方向取反 | 0-1 | / | 0 | 0--不反,1--取反 |
PR09 | 電機過速值 | 100-9999 | rpm | 3500 | 超速報警值 |
PR10 | 過速報警持續時間值 | 0-9999 | mS | 0 | 為0則不報警 |
PR11 | 加速度 | 10-100 | rpm/mS | 60 | 啟動速度 |
PR12 | 減速度 | 10-100 | rpm/mS | 60 | 停止速度 |
PR15 | 過載時間值(MOS PWM 輸出一直在最大輸出工作,同時轉速也沒達到要求) | 10-9999 | mS | 3000 | 速度閉環模式下才啟動 |
PR16 | BRAKE制動最低啟動速度(注意反電動勢的影響) | 1-1000 | rpm | 100 | 值與剎車反電動勢成正比 |
PR17 | 停機方式,剎停即松 | 0-1 | / | 0 | 0:自由停機 |
PR34 | 485馬達啟動 | 0-1 | / | 0 | 0:停止 |
PR35 | 485馬達轉向 | 0-1 | / | 0 | 0:正轉 |
PR36 | 485馬達剎車 | 0-1 | / | 0 | 0:松剎 |
PR37 | 指令來源選擇 | 0-1 | / | 0 | 0:IO口 |
9. MODBUS通訊
9.1 簡介
本系統MODBUS總線采用并支持RTU模式的通訊模式。關于MODBUS通訊協議的使用,請參考MODBUS官方網站http://www.modbus.org/,以便獲得最高權威信息。
本協議主要針對的是PR**參數設置部分使用MODBUS來操作。
9.2 通訊設置
項目 | 參數 |
從機臺數 | 16 |
波特率 | 9600bps |
數據交換方式 | 異步串行,半雙工 |
傳輸協議 | ModBus通訊協議RTU |
數據位 | 8 |
停止位 | 1 |
校驗位 | 無 |
錯誤檢測方式 | ModBus CRC16 |
幀長度 | 8字節 |
9.3 協議結構
表格4 協議結構
名稱 | 設備地址 | 功能碼 | 參數地址 | 數據 | 校驗 |
字節數byte(s) | 1 | 1 | 2 | 2 | 2 |
說明 | 設備地址 | 0x05:讀數據 0x06:寫數據 | PR**參數編號HEX值 | 設置的值 | Modbus CRC16 |
示例 | 0x01 | 0x06 | 0x00 0x25 | 0x00 0x01 | 0x59 0xC1 |
通過設置PR37參數,將控制器指令來源設置為RS-485通訊接口 | |||||
注:2bytes的數據,采用高位在前,低位在后的發送模式。
9.4 特別指令說明
對無刷電機控制器的操作控制有兩種方式:通過控制器接口控制,通過RS-485通訊控制。
通過控制接口控制,只需要通過顯示器設置需要的參數,并通過硬線來操控整個系統。
通過RS-485通訊口控制,則需要按下面的步驟將系統的控制指令來源設置為485通訊的MODBUS指令,注意此時控制器的接口就不起作用。如用戶需要重新使用接口控制,則同樣需要通過MODBUS指令將指令來源設置為IO口。
表格5 RS-485切換步驟
步驟 | 說明 |
1 | 通過顯示器,將PR05控制模式設置為0 |
2 | 通過RS-485發送指令設置PR37為1,將指令來源設置為485指令(hex數據)01 06 00 25 00 01 59 C1 |
3 | 通過以下指令控制(hex數據): 啟動電機PR34:01 06 00 22 00 01 E8 00 更改轉速PR06:01 06 00 06 0B B8 6E 89 改變轉向PR35:01 06 00 23 00 01 B9 C0 停止電機PR34:01 06 00 22 00 00 29 C0 |
10. 云控
云控CloudView V1.01是一款用于控制器參數設置及監控的APP應用軟件。用戶可通過此APP應用可視化操作控制器。APP通過ModBus與控制器連接。
11. 其他
① 版本記錄
表格6 記錄
SN | 修改前內容 | 修改后內容 | 修改前版本 | 修改后版本 | 修訂人 | 日期 | 備注 |
1 | V1.0 | A | 新版 | ||||
2 |
② 無刷電機驅動器命名規則
BD | 30 | L2 | S1 | MB | D | - | F01 |
類型 | 電流等級 | 最大電壓 | 傳感器 | 通訊方式 | 顯示 | 符號 | 特別要求 |
BD:無刷 | 05:5A | L1:12VDC | S1:霍爾 | MB:modbus | D:帶顯示 | - | 代碼 |
BS:伺服 | 10:10A | L2:24VDC | S2:無感 | CN:CAN | 無 | 無 | 無 |
BT:雙驅 | 15:15A | L3:36VDC | S3:ABZ編碼器 | EC:EtherCAT | |||
30:30A | L4:48VDC | S4:絕對值編碼器 | 無 | ||||
50:50A | L7:72VDC | S5:旋變傳感器 | |||||
100:100A | L9:96VDC | ||||||
H1:110VAC | |||||||
H2:220VAC | |||||||
H3:380VAC |



